PC철근 콘크리트 암거 1련

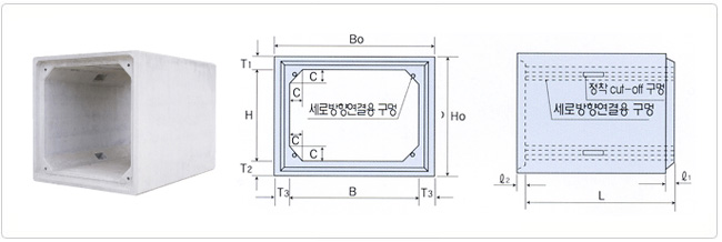
규격
특징

<
번호 |
내공치수(m) |
바깥나비 |
바깥나비 |
유효길이 |
두께 |
현치높이 |
삽입구 |
수구 |
참고중량 |
||
|---|---|---|---|---|---|---|---|---|---|---|---|
(B
* H) |
B' |
H' |
T1 |
T2 |
T3 |
C |
ℓ1 |
ℓ2 |
(kg/본) |
||
1 |
600*600 |
860 |
860 |
2000 |
130 |
130 |
130 |
100 |
60 |
60 |
2000 |
2 |
700*700 |
960 |
960 |
2000 |
130 |
130 |
130 |
100 |
60 |
60 |
2260 |
3 |
800*800 |
1060 |
1060 |
2000 |
130 |
130 |
130 |
100 |
60 |
60 |
2520 |
4 |
900*600 |
1160 |
860 |
2000 |
130 |
130 |
130 |
100 |
60 |
60 |
2390 |
5 |
900*900 |
1160 |
1160 |
2000 |
130 |
130 |
130 |
100 |
60 |
60 |
2780 |
6 |
1000*800 |
1260 |
1060 |
2000 |
130 |
130 |
130 |
150 |
60 |
60 |
2900 |
7 |
1000*1000 |
1260 |
1260 |
2000 |
130 |
130 |
130 |
150 |
60 |
60 |
3160 |
| 8 |
1000*1500 |
1260 |
1760 |
2000 |
130 |
130 |
130 |
150 |
60 |
60 |
3810 |
9 |
1100*1100 |
1360 |
1360 |
2000 |
130 |
130 |
130 |
150 |
60 |
60 |
3420 |
10 |
1200*800 |
1460 |
1060 |
2000 |
130 |
130 |
130 |
150 |
60 |
60 |
3160 |
11 |
1200*1000 |
1460 |
1260 |
2000 |
130 |
130 |
130 |
150 |
60 |
60 |
3420 |
12 |
1200*1200 |
1460 |
1460 |
2000 |
130 |
130 |
130 |
150 |
60 |
60 |
3680 |
13 |
1200*1500 |
1460 |
1760 |
2000 |
130 |
130 |
130 |
150 |
60 |
60 |
4070 |
14 |
1300*1300 |
1560 |
1580 |
2000 |
140 |
140 |
130 |
150 |
60 |
60 |
4100 |
15 |
1400*1400 |
1660 |
1700 |
2000 |
150 |
150 |
130 |
150 |
60 |
60 |
4540 |
16 |
1500*1000 |
1480 |
1320 |
2000 |
160 |
160 |
140 |
150 |
60 |
60 |
4470 |
17 |
1500*1200 |
1480 |
1520 |
2000 |
160 |
160 |
140 |
150 |
60 |
60 |
4750 |
18 |
1500*1500 |
1480 |
1820 |
2000 |
160 |
160 |
140 |
150 |
60 |
60 |
5170 |
19 |
1800*1200 |
2100 |
1540 |
2000 |
170 |
170 |
150 |
150 |
80 |
80 |
5600 |
20 |
1800*1500 |
2100 |
1840 |
2000 |
170 |
170 |
150 |
150 |
80 |
80 |
6050 |
21 |
1800*1800 |
2100 |
2140 |
2000 |
170 |
170 |
150 |
150 |
80 |
80 |
6500 |
22 |
2000*1500 |
2320 |
1860 |
2000 |
180 |
180 |
160 |
200 |
80 |
80 |
6980 |
23 |
2000*1800 |
2320 |
2160 |
2000 |
180 |
180 |
160 |
200 |
80 |
80 |
7460 |
24 |
2000*2000 |
2320 |
2360 |
2000 |
180 |
180 |
160 |
200 |
80 |
80 |
7780 |
25 |
2200*1800 |
2560 |
2200 |
1500 |
200 |
200 |
180 |
200 |
80 |
80 |
6570 |
26 |
2200*2200 |
2560 |
2600 |
1500 |
200 |
200 |
180 |
200 |
80 |
80 |
7110 |
27 |
2300*1500 |
2660 |
1900 |
1500 |
200 |
200 |
180 |
200 |
80 |
80 |
6320 |
28 |
2300*1800 |
2660 |
2200 |
1500 |
200 |
200 |
180 |
200 |
80 |
80 |
6720 |
29 |
2300*2000 |
2660 |
2400 |
1500 |
200 |
200 |
180 |
200 |
80 |
80 |
6990 |
30 |
2300*2300 |
2660 |
2700 |
1500 |
200 |
200 |
180 |
200 |
80 |
80 |
7400 |
31 |
2400*2000 |
2780 |
2420 |
1500 |
210 |
210 |
190 |
200 |
80 |
80 |
7530 |
32 |
2400*2400 |
2780 |
2820 |
1500 |
210 |
210 |
190 |
200 |
80 |
80 |
8100 |
33 |
2500*1500 |
2900 |
1940 |
1500 |
220 |
220 |
200 |
200 |
80 |
80 |
7340 |
34 |
2500*1800 |
2900 |
2240 |
1500 |
220 |
2220 |
200 |
200 |
80 |
80 |
7790 |
35 |
2500*2000 |
2900 |
2440 |
1500 |
220 |
220 |
200 |
200 |
80 |
80 |
8090 |
36 |
2500*2500 |
2900 |
2940 |
1500 |
220 |
220 |
200 |
200 |
80 |
80 |
8840 |
37 |
2800*1500 |
3240 |
1980 |
1000 |
240 |
240 |
220 |
200 |
80 |
80 |
5740 |
38 |
2800*2000 |
3240 |
2480 |
1000 |
240 |
240 |
220 |
200 |
80 |
80 |
6290 |
39 |
2800*2500 |
3240 |
2980 |
1000 |
240 |
240 |
220 |
200 |
80 |
80 |
6840 |
40 |
2800*2800 |
3240 |
3280 |
1000 |
240 |
240 |
220 |
200 |
80 |
80 |
7170 |
41 |
3000*1500 |
3480 |
2020 |
1000 |
260 |
260 |
240 |
300 |
80 |
80 |
6780 |
42 |
3000*2000 |
3480 |
2520 |
1000 |
260 |
260 |
240 |
300 |
80 |
80 |
7370 |
43 |
3000*2500 |
3480 |
3020 |
1000 |
260 |
260 |
240 |
300 |
80 |
80 |
7970 |
44 |
3000*3000 |
3480 |
3520 |
1000 |
260 |
260 |
240 |
300 |
80 |
80 |
8570 |